Cam kết 100% chính hãng
Giao hàng tận chân công trình
Đồng kiểm khi nhận nhận hàng
Hỗ trợ kỹ thuật 24/7
Khuyến mãi đặc biệt !!!
Máy bơm tự mồi, hay còn được gọi là bơm ly tâm tự mồi, là loại máy bơm có thiết kế đặc biệt với cửa van một chiều trong buồng bơm để có khả năng tự hút chất lỏng vào bên trong. Khi buồng bơm đã đầy chất lỏng, máy bơm sẽ tự động hoạt động mà không cần phải khởi động thêm. Chỉ cần đảm bảo buồng bơm được đầy đủ chất bơm trong lần hoạt động đầu tiên.
Khi cánh quạt quay, tạo ra vùng áp suất thấp ở trung tâm của cánh. Vì áp suất này thấp hơn không khí xung quanh, chất lỏng sẽ được đẩy lên qua ống hút nhờ áp suất từ khí quyển. Điều này khiến cho không khí trong ống hút bị hút vào bên trong máy bơm.
Máy bơm sẽ kết hợp không khí với nước trong vỏ và sau đó tách riêng không khí ra khỏi chất lỏng, đẩy ra khỏi vỏ. Khi tất cả không khí trong ống hút đã được đẩy ra ngoài, máy bơm sẽ hoạt động và bắt đầu bơm chất lỏng theo cách tương tự như các loại máy bơm ly tâm khác.
Các máy bơm dạng này thường được đặt trên mặt đất, giúp người dùng tiết kiệm chi phí và không cần phải xây dựng cơ sở hạ tầng phức tạp. Điều này cũng giúp người dùng dễ dàng tiếp cận và bảo trì máy bơm một cách thuận tiện hơn so với các loại bơm chìm đặt trong giếng.
Chú ý: Máy bơm tự mồi có thể hút chất lỏng vào bên trong khi không hoạt động, điều này không có nghĩa là chúng cần phải khởi động ở trạng thái khô. Để máy bơm tự mồi hoạt động tốt, cần có chất lỏng trong buồng bơm từ đầu. Nếu máy bơm hoạt động mà không có chất lỏng, dù chỉ trong thời gian ngắn, có thể gây hỏng phớt cơ khí và làm hỏng bơm.

Máy bơm vòng chất lỏng tự mồi khớp nối chặt với cánh quạt hình sao và vòng chống mòn.
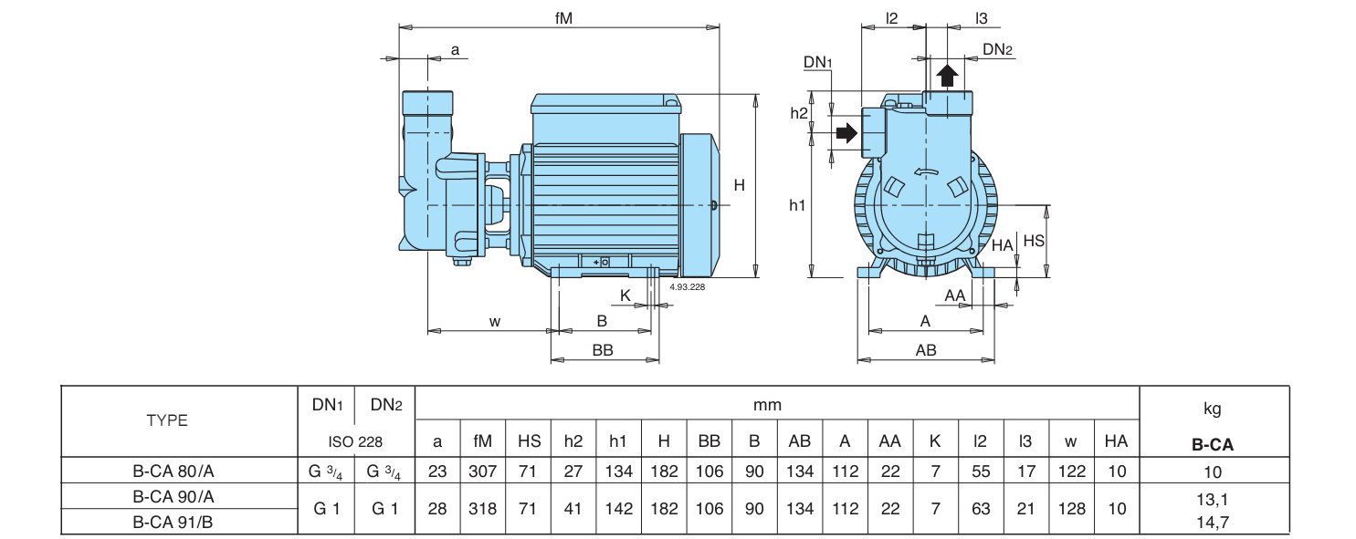
CA: phiên bản có vỏ bơm và giá đỡ đèn lồng bằng gang.
B-CA: phiên bản có vỏ bơm và giá đỡ đèn lồng bằng đồng (máy bơm được cung cấp sơn hoàn toàn).
- Dùng cho chất lỏng sạch không có chất mài mòn, không có chất rắn lơ lửng, không gây nổ, không gây ăn mòn cho vật liệu bơm.
- Nếu chất lỏng cần bơm có không khí hoặc khí cuốn theo hoặc dòng chảy trong ống hút không ổn định.
- Để kéo nước ra khỏi giếng.
- Để tăng áp lực mạng (tuân theo thông số kỹ thuật của địa phương).
- Nhiệt độ chất lỏng từ -10 °C đến +90 °C.
- Nhiệt độ môi trường lên tới 40°C.
- Áp suất hút âm lên tới 9 m.
- Áp suất làm việc tối đa cho phép: 6 bar.
- Nhiệm vụ liên tiếp.
- Động cơ cảm ứng 2 cực, 50 Hz (n ≈ 2900 vòng/phút).
CA: ba pha 230/400 V ± 10%.
CAM: một pha 230 V ± 10%, có bộ bảo vệ nhiệt.
- Tụ điện bên trong hộp thiết bị đầu cuối.
- Lớp cách điện F.
- Bảo vệ IP 54.
Cấp hiệu suất IE2 cho động cơ một pha.
Cấp hiệu suất IE3 cho động cơ ba pha (IE2 đến 0,65 kW).
- Được xây dựng theo tiêu chuẩn: EN 60034-1; EN 60034-30-1. EN 60335-1, EN 60335-2-41.
- Điện áp khác.
- Tần số 60 Hz (theo bảng dữ liệu 60 Hz).
- Bảo vệ IP 55.
- Phốt cơ khí đặc biệt
- Nhiệt độ chất lỏng hoặc môi trường xung quanh cao hơn hoặc thấp hơn.
- Thi công có khung chịu lực.






Tự mồi nhanh
- Thiết kế thủy lực đảm bảo khả năng tự mồi nhanh khi thân máy bơm chứa đầy nước.
Linh hoạt
- Tùy chọn chọn giữa vật liệu gang và đồng cho các bộ phận thủy lực tiếp xúc với chất lỏng được bơm cho phép chọn máy bơm dòng CA để sử dụng với các loại chất lỏng khác nhau.
Bảo trì dễ dàng
- Cấu trúc có vòng chống mài mòn được bắt vít vào thân máy bơm, cho phép thay thế nhanh chóng trong trường hợp bị mòn.
Catalog máy bơm tự mồi Calpeda/Italia model CA
**********************************************************************************
HTintech phân phối trực tiếp các dòng bơm của Calpeda/Italia với đầy đủ CO, CQ, PL như: Máy bơm nước ly tâm, Máy bơm giếng khoan, Máy bơm tăng áp, Máy bơm biến tần....
Liên hệ ngay để được hỗ trợ tài liệu về sản phẩm, tư vấn miễn phí nhanh nhất:
Công ty TNHH Đầu Tư Công Nghệ Và Thiết Bị HT
Bước 1: Truy cập website và lựa chọn sản phẩm cần mua
Bước 2: Click và sản phẩm muốn mua, màn hình hiển thị ra pop up với các lựa chọn sau
Nếu bạn muốn tiếp tục mua hàng: Bấm vào phần tiếp tục mua hàng để lựa chọn thêm sản phẩm vào giỏ hàng
Nếu bạn muốn xem giỏ hàng để cập nhật sản phẩm: Bấm vào xem giỏ hàng
Nếu bạn muốn đặt hàng và thanh toán cho sản phẩm này vui lòng bấm vào: Đặt hàng và thanh toán
Bước 3: Lựa chọn thông tin tài khoản thanh toán
Nếu bạn đã có tài khoản vui lòng nhập thông tin tên đăng nhập là email và mật khẩu vào mục đã có tài khoản trên hệ thống
Nếu bạn chưa có tài khoản và muốn đăng ký tài khoản vui lòng điền các thông tin cá nhân để tiếp tục đăng ký tài khoản. Khi có tài khoản bạn sẽ dễ dàng theo dõi được đơn hàng của mình
Nếu bạn muốn mua hàng mà không cần tài khoản vui lòng nhấp chuột vào mục đặt hàng không cần tài khoản
Bước 4: Điền các thông tin của bạn để nhận đơn hàng, lựa chọn hình thức thanh toán và vận chuyển cho đơn hàng của mình
Bước 5: Xem lại thông tin đặt hàng, điền chú thích và gửi đơn hàng
Sau khi nhận được đơn hàng bạn gửi chúng tôi sẽ liên hệ bằng cách gọi điện lại để xác nhận lại đơn hàng và địa chỉ của bạn.
Trân trọng cảm ơn.
1. BẢO HÀNH
Bảo hành sản phẩm là: khắc phục những lỗi hỏng hóc, sự cố kỹ thuật xảy ra do lỗi của nhà sản xuất.
1.1. Quy định về bảo hành
– Sản phẩm được bảo hành miễn phí nếu sản phẩm đó còn thời hạn bảo hành được tính kể từ ngày giao hàng, sản phẩm được bảo hành trong thời hạn bảo hành ghi trên Sổ bảo hành, Tem bảo hành và theo quy định của từng hãng sản xuất liên quan đến tất cả các sự cố về mặt kỹ thuật.
– Có Phiếu bảo hành và Tem bảo hành của công ty hoặc nhà phân phối, hãng trên sản phẩm. Trường hợp sản phẩm không có số serial ghi trên Phiếu bảo hành thì phải có Tem bảo hành của CÔNG TY DOLA (kể cả Tem bảo hành gốc).
1.2. Những trường hợp không được bảo hành
– Sản phẩm đã hết thời hạn bảo hành hoặc mất Phiếu bảo hành.
– Số mã vạch, số serial trên sản phẩm không xác định được hoặc sai so với Phiếu bảo hành.
– Tự ý tháo dỡ, sửa chữa bởi các cá nhân hoặc kỹ thuật viên không phải là nhân viên CÔNG TY DOLA
– Sản phẩm bị cháy nổ hay hỏng hóc do tác động cơ học, biến dạng, rơi, vỡ, va đập, bị xước, bị hỏng do ẩm ướt, hoen rỉ, chảy nước, động vật xâm nhập vào, thiên tai, hỏa hoạn, sử dụng sai điện áp quy định.
– Phiếu bảo hành, Tem bảo hành bị rách, không còn Tem bảo hành, Tem bảo hành dán đè, hoặc Tem bảo hành bị sửa đổi (kể cả Tem bảo hành gốc).
– Trường hợp sản phẩm của Quý khách hàng dán Tem bảo hành của CÔNG TY DOLA hay nhầm lẫn thông tin trên Phiếu bảo hành, Phiếu mua hàng: Trong trường hợp này, bộ phận bảo hành sẽ đối chiếu với số phiếu xuất gốc lưu tại Công ty, hóa đơn, phần mềm của Công ty hay thông tin của nhà phân phối, hãng, các Quý khách hàng khác mua cùng sản phẩm cùng thời điểm, nếu có sự sai lệch thì sản phẩm của Quý khách không được bảo hành (có thể Tem bảo hành của Công ty bị thất thoát và bị lợi dụng dán lên thiết bị hay nhầm lẫn nhỏ khi nhập, in ra). Kính mong Quý khách hàng thông cảm!
– Bảo hành không bao gồm vận chuyển hàng và giao hàng.
2. BẢO TRÌ
Bảo trì, bảo dưỡng: bao gồm lau chùi sản phẩm, sửa chữa những hỏng hóc nhỏ có thể sửa được (không bao gồm thay thế thiết bị). Thời gian bảo trì, bảo dưỡng tùy thuộc vào sự thỏa thuận giữa DOLA và Quý khách hàng.