Cam kết 100% chính hãng
Giao hàng tận chân công trình
Đồng kiểm khi nhận nhận hàng
Hỗ trợ kỹ thuật 24/7
Khuyến mãi đặc biệt !!!
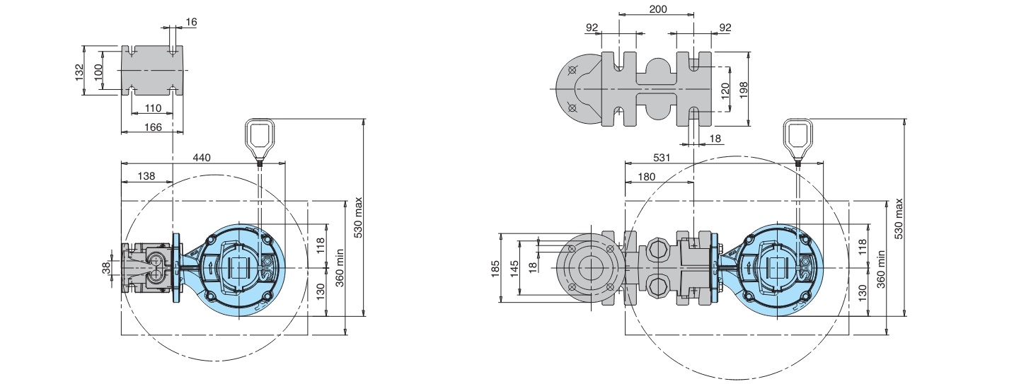
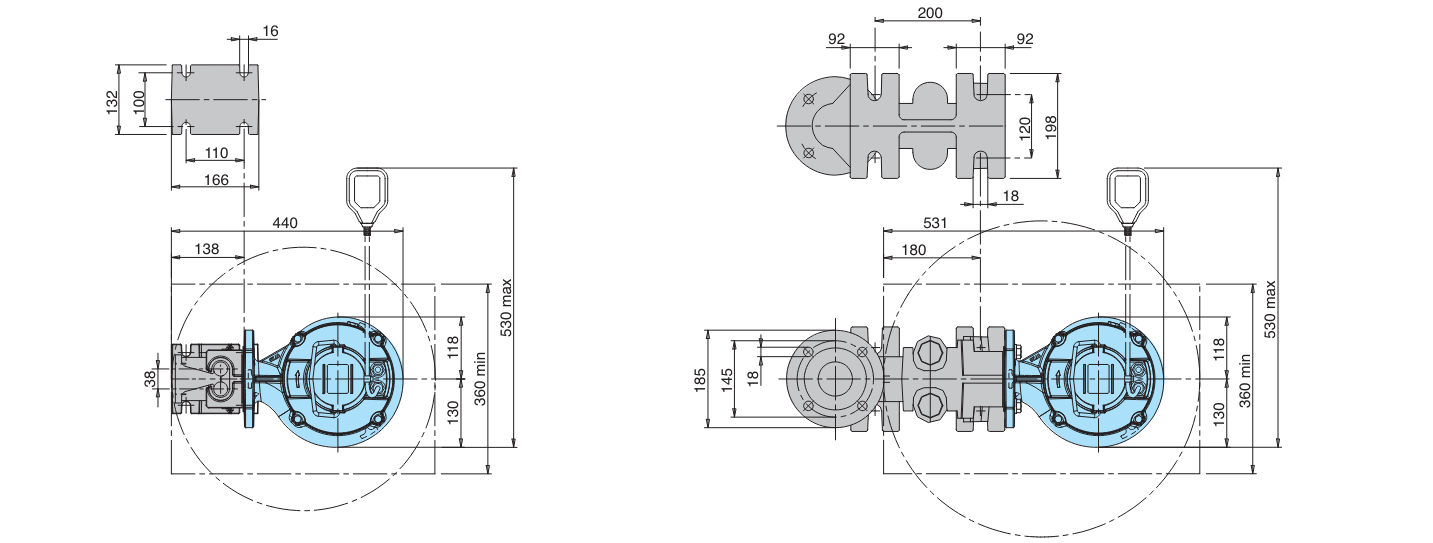
Máy bơm chìm nước thải và thoát nước Calpeda/Italia model GM50 là dòng máy bơm chìm điện khớp nối kín.

GMC: với cánh quạt một kênh.
GMV: với cánh quạt dòng chảy tự do (xoáy).
- Phốt trục cơ khí kép có buồng dầu xen kẽ, để bảo vệ chống chạy khô
Dùng cho nước thải sinh hoạt, công nghiệp, nước bẩn có chứa chất rắn cỡ hạt tới 45 mm đối với GMC và 50 mm đối với GMV, đối với chất lỏng tương thích với các vật liệu bơm.
- Nhiệt độ chất lỏng lên tới 35°C.
- Giá trị pH: 6-11.
- Độ sâu ngâm tối đa: 10 m (với chiều dài cáp phù hợp).
- Hoạt động liên tục (với động cơ chìm).
- Cảm ứng 2 cực, 50 Hz (n ≈ 2900 vòng/phút).
GMC, GMV: 3 pha 230V ± 10%; ba pha 400 V ± 10%; 2 bộ bảo vệ nhiệt tích hợp để kết nối với hộp điều khiển. Cáp: 4G1,5 mm + 2x0,5 mm2, dài 10 m.
GMCM, GMVM: 1 pha 230V ± 10%. Với công tắc phao, bộ bảo vệ nhiệt tích hợp và tụ điện tích hợp. Cáp: H07RN8-F, 3G1,5 mm2, dài 10 m, có phích cắm (CEI - UNEL 47166).
- Lớp cách điện F.
- Bảo vệ IP X8.
- Ngâm tẩm ba lần, cuộn dây chống ẩm.
- Được xây dựng theo: EN 60335-2-41.
- Điện áp khác.
- Tần số 60 Hz (theo bảng dữ liệu 60 Hz).
- Động cơ phù hợp để vận hành với bộ biến tần.







Sự an toàn
Phốt cơ khí kép với khoang chứa dầu đảm bảo tách biệt an toàn động cơ khỏi nước và bảo vệ thêm khỏi hoạt động vô tình khi khô.
Đáng tin cậy
Vòng bi đôi phía dưới đảm bảo độ tin cậy cao trong mọi điều kiện vận hành.
Sự bảo vệ
Động cơ ba pha được trang bị nhiệt điện trở tích hợp, giúp bảo vệ động cơ khỏi nhiệt. Cáp động cơ được nối sẵn để cho phép người dùng kết nối trực tiếp với bảng điều khiển, giúp việc lắp đặt dễ dàng hơn.
Cài đặt linh hoạt
Sự sẵn có của vỏ máy bơm với các cổng mặt bích ngang hoặc dọc cho phép lắp đặt máy bơm ở tất cả các hố và giếng, cả kích thước nhỏ và lớn. Cũng có thể lắp đặt bằng khớp nối chân vịt.
Catalog Máy bơm chìm nước thải và thoát nước Calpeda/Italia model GM50
**********************************************************************************
HTintech phân phối trực tiếp các dòng bơm của Calpeda/Italia với đầy đủ CO, CQ, PL như: Máy bơm nước ly tâm, Máy bơm giếng khoan, Máy bơm tăng áp, Máy bơm biến tần....
Liên hệ ngay để được hỗ trợ tài liệu về sản phẩm, tư vấn miễn phí nhanh nhất:
Công ty TNHH Đầu Tư Công Nghệ Và Thiết Bị HT
Bước 1: Truy cập website và lựa chọn sản phẩm cần mua
Bước 2: Click và sản phẩm muốn mua, màn hình hiển thị ra pop up với các lựa chọn sau
Nếu bạn muốn tiếp tục mua hàng: Bấm vào phần tiếp tục mua hàng để lựa chọn thêm sản phẩm vào giỏ hàng
Nếu bạn muốn xem giỏ hàng để cập nhật sản phẩm: Bấm vào xem giỏ hàng
Nếu bạn muốn đặt hàng và thanh toán cho sản phẩm này vui lòng bấm vào: Đặt hàng và thanh toán
Bước 3: Lựa chọn thông tin tài khoản thanh toán
Nếu bạn đã có tài khoản vui lòng nhập thông tin tên đăng nhập là email và mật khẩu vào mục đã có tài khoản trên hệ thống
Nếu bạn chưa có tài khoản và muốn đăng ký tài khoản vui lòng điền các thông tin cá nhân để tiếp tục đăng ký tài khoản. Khi có tài khoản bạn sẽ dễ dàng theo dõi được đơn hàng của mình
Nếu bạn muốn mua hàng mà không cần tài khoản vui lòng nhấp chuột vào mục đặt hàng không cần tài khoản
Bước 4: Điền các thông tin của bạn để nhận đơn hàng, lựa chọn hình thức thanh toán và vận chuyển cho đơn hàng của mình
Bước 5: Xem lại thông tin đặt hàng, điền chú thích và gửi đơn hàng
Sau khi nhận được đơn hàng bạn gửi chúng tôi sẽ liên hệ bằng cách gọi điện lại để xác nhận lại đơn hàng và địa chỉ của bạn.
Trân trọng cảm ơn.
1. BẢO HÀNH
Bảo hành sản phẩm là: khắc phục những lỗi hỏng hóc, sự cố kỹ thuật xảy ra do lỗi của nhà sản xuất.
1.1. Quy định về bảo hành
– Sản phẩm được bảo hành miễn phí nếu sản phẩm đó còn thời hạn bảo hành được tính kể từ ngày giao hàng, sản phẩm được bảo hành trong thời hạn bảo hành ghi trên Sổ bảo hành, Tem bảo hành và theo quy định của từng hãng sản xuất liên quan đến tất cả các sự cố về mặt kỹ thuật.
– Có Phiếu bảo hành và Tem bảo hành của công ty hoặc nhà phân phối, hãng trên sản phẩm. Trường hợp sản phẩm không có số serial ghi trên Phiếu bảo hành thì phải có Tem bảo hành của CÔNG TY DOLA (kể cả Tem bảo hành gốc).
1.2. Những trường hợp không được bảo hành
– Sản phẩm đã hết thời hạn bảo hành hoặc mất Phiếu bảo hành.
– Số mã vạch, số serial trên sản phẩm không xác định được hoặc sai so với Phiếu bảo hành.
– Tự ý tháo dỡ, sửa chữa bởi các cá nhân hoặc kỹ thuật viên không phải là nhân viên CÔNG TY DOLA
– Sản phẩm bị cháy nổ hay hỏng hóc do tác động cơ học, biến dạng, rơi, vỡ, va đập, bị xước, bị hỏng do ẩm ướt, hoen rỉ, chảy nước, động vật xâm nhập vào, thiên tai, hỏa hoạn, sử dụng sai điện áp quy định.
– Phiếu bảo hành, Tem bảo hành bị rách, không còn Tem bảo hành, Tem bảo hành dán đè, hoặc Tem bảo hành bị sửa đổi (kể cả Tem bảo hành gốc).
– Trường hợp sản phẩm của Quý khách hàng dán Tem bảo hành của CÔNG TY DOLA hay nhầm lẫn thông tin trên Phiếu bảo hành, Phiếu mua hàng: Trong trường hợp này, bộ phận bảo hành sẽ đối chiếu với số phiếu xuất gốc lưu tại Công ty, hóa đơn, phần mềm của Công ty hay thông tin của nhà phân phối, hãng, các Quý khách hàng khác mua cùng sản phẩm cùng thời điểm, nếu có sự sai lệch thì sản phẩm của Quý khách không được bảo hành (có thể Tem bảo hành của Công ty bị thất thoát và bị lợi dụng dán lên thiết bị hay nhầm lẫn nhỏ khi nhập, in ra). Kính mong Quý khách hàng thông cảm!
– Bảo hành không bao gồm vận chuyển hàng và giao hàng.
2. BẢO TRÌ
Bảo trì, bảo dưỡng: bao gồm lau chùi sản phẩm, sửa chữa những hỏng hóc nhỏ có thể sửa được (không bao gồm thay thế thiết bị). Thời gian bảo trì, bảo dưỡng tùy thuộc vào sự thỏa thuận giữa DOLA và Quý khách hàng.