Cam kết 100% chính hãng
Giao hàng tận chân công trình
Đồng kiểm khi nhận nhận hàng
Hỗ trợ kỹ thuật 24/7
Khuyến mãi đặc biệt !!!
Máy bơm tuần hoàn đôi tiết kiệm năng lượng Calpeda/Italia model NCE HQ F là máy bơm tuần hoàn có tốc độ thay đổi tiết kiệm năng lượng được điều khiển bởi động cơ đồng bộ nam châm vĩnh cửu (pm) được điều khiển bằng biến tần trên bo mạch.
• Phát hiện chạy khô
• Chức năng thông gió tự động

• Bắt đầu / dừng đầu vào
• Đầu ra rơle
• Đầu vào 0-10V
• Đầu vào 4-20 mA
• Modbus (RS485 và TCP/IP)
- Bơm tuần hoàn tiết kiệm năng lượng được thiết kế để tuần hoàn nước trong hệ thống sưởi ấm.
- Hệ thống sưởi ấm dưới sàn
- Hệ thống ống đơn
- Hệ thống hai ống
- Bơm chất lỏng: Chất lỏng sạch, không ăn mòn và không nổ, không chứa các hạt rắn, sợi hoặc dầu khoáng/thực vật
- Trong hệ thống sưởi ấm, nước phải đáp ứng các yêu cầu về tiêu chuẩn chất lượng nước được chấp nhận trong hệ thống sưởi ấm.
- Nhiệt độ chất lỏng từ -10 °C đến +110 °C
- Nhiệt độ môi trường từ 0°C đến +40°C
- Áp suất làm việc tối đa cho phép: 10 bar
Bảo quản: tối đa -10°C/+50°C. độ ẩm tương đối 95% ở 40 °C
- Chứng nhận: phù hợp với yêu cầu CE
Áp suất âm thanh ≤ 65 dB(A).
Tối đa. lượng ethylene glycol: 40%
EMC theo: · · EN 55014-1, EN 55014-2, EN 61000-3-2, EN 61000-3-3.
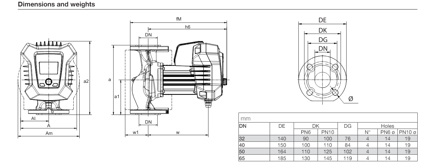
Mặt bích DN 32,40,50,65 PN 6/10
Chỉ số hiệu suất năng lượng của máy tuần hoàn là IEE ≤ 0,23.
- Tiêu chuẩn cho máy tuần hoàn hiệu quả nhất là EEI ≤ 0,20.
Động cơ đồng bộ nam châm vĩnh cửu.
- Động cơ: tốc độ thay đổi
- Điện áp tiêu chuẩn: 1 pha 230 V (-10%;+6%)
Tần số: 50-60 Hz
- Bảo vệ: IP 44
- Cấp cách điện: F
- Bảo vệ quá tải (tích hợp).
- Cáp: pha và trung tính.
- Được xây dựng theo tiêu chuẩn: EN 60335-1, EN 60335-2-51.
NCE HQ2 40F - 100/220
NCE = Chuỗi
HQ2 = Phiên bản
40 = Cổng DN tính bằng mm
F = Kết nối mặt bích
100 = Tối đa. đi vào dm
220 = kích thước kết nối mm





Catalog Máy bơm tuần hoàn đôi tiết kiệm năng lượng Calpeda/Italia model NCE HQ F
**********************************************************************************
HTintech phân phối trực tiếp các dòng bơm của Calpeda/Italia với đầy đủ CO, CQ, PL như: Máy bơm nước ly tâm, Máy bơm giếng khoan, Máy bơm tăng áp, Máy bơm biến tần....
Liên hệ ngay để được hỗ trợ tài liệu về sản phẩm, tư vấn miễn phí nhanh nhất:
Công ty TNHH Đầu Tư Công Nghệ Và Thiết Bị HT
Bước 1: Truy cập website và lựa chọn sản phẩm cần mua
Bước 2: Click và sản phẩm muốn mua, màn hình hiển thị ra pop up với các lựa chọn sau
Nếu bạn muốn tiếp tục mua hàng: Bấm vào phần tiếp tục mua hàng để lựa chọn thêm sản phẩm vào giỏ hàng
Nếu bạn muốn xem giỏ hàng để cập nhật sản phẩm: Bấm vào xem giỏ hàng
Nếu bạn muốn đặt hàng và thanh toán cho sản phẩm này vui lòng bấm vào: Đặt hàng và thanh toán
Bước 3: Lựa chọn thông tin tài khoản thanh toán
Nếu bạn đã có tài khoản vui lòng nhập thông tin tên đăng nhập là email và mật khẩu vào mục đã có tài khoản trên hệ thống
Nếu bạn chưa có tài khoản và muốn đăng ký tài khoản vui lòng điền các thông tin cá nhân để tiếp tục đăng ký tài khoản. Khi có tài khoản bạn sẽ dễ dàng theo dõi được đơn hàng của mình
Nếu bạn muốn mua hàng mà không cần tài khoản vui lòng nhấp chuột vào mục đặt hàng không cần tài khoản
Bước 4: Điền các thông tin của bạn để nhận đơn hàng, lựa chọn hình thức thanh toán và vận chuyển cho đơn hàng của mình
Bước 5: Xem lại thông tin đặt hàng, điền chú thích và gửi đơn hàng
Sau khi nhận được đơn hàng bạn gửi chúng tôi sẽ liên hệ bằng cách gọi điện lại để xác nhận lại đơn hàng và địa chỉ của bạn.
Trân trọng cảm ơn.
1. BẢO HÀNH
Bảo hành sản phẩm là: khắc phục những lỗi hỏng hóc, sự cố kỹ thuật xảy ra do lỗi của nhà sản xuất.
1.1. Quy định về bảo hành
– Sản phẩm được bảo hành miễn phí nếu sản phẩm đó còn thời hạn bảo hành được tính kể từ ngày giao hàng, sản phẩm được bảo hành trong thời hạn bảo hành ghi trên Sổ bảo hành, Tem bảo hành và theo quy định của từng hãng sản xuất liên quan đến tất cả các sự cố về mặt kỹ thuật.
– Có Phiếu bảo hành và Tem bảo hành của công ty hoặc nhà phân phối, hãng trên sản phẩm. Trường hợp sản phẩm không có số serial ghi trên Phiếu bảo hành thì phải có Tem bảo hành của CÔNG TY DOLA (kể cả Tem bảo hành gốc).
1.2. Những trường hợp không được bảo hành
– Sản phẩm đã hết thời hạn bảo hành hoặc mất Phiếu bảo hành.
– Số mã vạch, số serial trên sản phẩm không xác định được hoặc sai so với Phiếu bảo hành.
– Tự ý tháo dỡ, sửa chữa bởi các cá nhân hoặc kỹ thuật viên không phải là nhân viên CÔNG TY DOLA
– Sản phẩm bị cháy nổ hay hỏng hóc do tác động cơ học, biến dạng, rơi, vỡ, va đập, bị xước, bị hỏng do ẩm ướt, hoen rỉ, chảy nước, động vật xâm nhập vào, thiên tai, hỏa hoạn, sử dụng sai điện áp quy định.
– Phiếu bảo hành, Tem bảo hành bị rách, không còn Tem bảo hành, Tem bảo hành dán đè, hoặc Tem bảo hành bị sửa đổi (kể cả Tem bảo hành gốc).
– Trường hợp sản phẩm của Quý khách hàng dán Tem bảo hành của CÔNG TY DOLA hay nhầm lẫn thông tin trên Phiếu bảo hành, Phiếu mua hàng: Trong trường hợp này, bộ phận bảo hành sẽ đối chiếu với số phiếu xuất gốc lưu tại Công ty, hóa đơn, phần mềm của Công ty hay thông tin của nhà phân phối, hãng, các Quý khách hàng khác mua cùng sản phẩm cùng thời điểm, nếu có sự sai lệch thì sản phẩm của Quý khách không được bảo hành (có thể Tem bảo hành của Công ty bị thất thoát và bị lợi dụng dán lên thiết bị hay nhầm lẫn nhỏ khi nhập, in ra). Kính mong Quý khách hàng thông cảm!
– Bảo hành không bao gồm vận chuyển hàng và giao hàng.
2. BẢO TRÌ
Bảo trì, bảo dưỡng: bao gồm lau chùi sản phẩm, sửa chữa những hỏng hóc nhỏ có thể sửa được (không bao gồm thay thế thiết bị). Thời gian bảo trì, bảo dưỡng tùy thuộc vào sự thỏa thuận giữa DOLA và Quý khách hàng.